عمده فروشی اسکرابر شیمیایی

  • اسکرابر شیمیایی

اسکرابر شیمیایی

اسکرابر شیمیایی یک فیلتر شستشوی پیشرفته است. از یک ساختار خاص و یک سطح خاص بزرگ از بسته بندی منظم به عنوان بسته بندی انتقال جرم و کم آبی استفاده می کند. در عین حال، با توجه به اجزای مختلف ایجاد بو در بو، اسید، قلیایی و اکسیدان مربوطه به عنوان مایع شستشوی جذبی برای از بین بردن بوی موجود در فضا و از بین بردن تاثیرات محیطی اطراف استفاده می شود.

جریان هوای بدبو از طریق مجرای هوا منتقل شده و از ورودی برج وارد برج می شود. پس از ورود به برج از لایه بسته بندی از پایین به بالا عبور می کند و در نهایت از طریق فن ضد خوردگی از خروجی خط لوله بالای برج تخلیه می شود. محلول خنثی کننده از جداکننده مایع در بالای برج عبور می کند، به طور یکنواخت در لایه بسته بندی اسپری می شود، در امتداد سطح لایه بسته بندی جریان می یابد تا زمانی که از پایین برج از طریق خط لوله تخلیه شود و توسط پمپ گردش ضد خوردگی به گردش در می آید. همانطور که غلظت املاح در جریان هوا در حال افزایش کمتر و کمتر می شود، عملکرد تصفیه زمانی حاصل می شود که به بالای برج می رسد و در مرحله بعدی تخلیه می شود یا به تصفیه ادامه می دهد. برعکس، غلظت محیط در مایع نزولی بیشتر و بیشتر می شود و زمانی که به پایین برج می رسد و از برج تخلیه می شود، به شرایط فرآیند می رسد.

مزایای برج بسته بندی اسپری: دارای راندمان بالا، ظرفیت نگهداری مایعات کوچک، وزن سبک و عملکرد آسان است که به کارگران اجازه می دهد تا فوراً شروع به کار کنند. پرکننده را می توان با توجه به شرایط کاری ارائه شده توسط مشتری انتخاب کرد. انواع مختلفی وجود دارد و به طور کلی از حلقه های توپی مقاوم در برابر خوردگی استفاده می شود. با این حال، باید توجه داشت که مواد معلق جامد ممکن است به دلیل قطر ذرات زیاد، پرکننده را مسدود کند، بنابراین به طور کلی برای تصفیه مواد جامد مناسب نیست. به عنوان مثال، NH3، HCl، H2S، اکسیدهای نیتروژن و گازهای زائد آلی تولید شده توسط کارخانه ها را می توان به طور موثر با این تجهیزات تصفیه کرد.

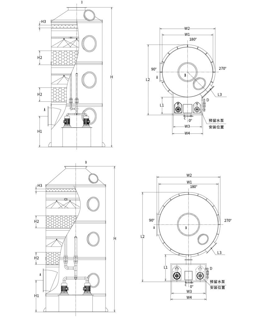
ساختار اسکرابر شیمیایی:
همانطور که در شکل نشان داده شده است: سیستم کامل شستشوی اسپری بسته بندی شده شامل اجزای زیر است:

1. بدنه برج ساخته شده از ورق های PP (پلی پروپیلن).

2. قاب پشتیبانی بسته بندی ساخته شده از پانل های توری PP.

3. اسپری اتصال لوله های ساخته شده از UPVC.

4. نازل مارپیچ PP;

5. توپ توخالی یا حلقه بسته بندی Pall;

6. پمپ گردش PP مقاوم در برابر خوردگی.

7. لایه دیمستر مش;

8. دستی و اتوماتیک دستگاه های پر کردن آب.

9. لوله های سرریز و زهکشی.

10. پنجره بازرسی.

انتخاب اسکرابر شیمیایی:
جدول پارامترهای فنی اسکرابر اسپری بسته بندی شده

برای اطمینان از راحتی و ایمنی حمل و نقل، اسکرابرهای اسپری بسته بندی شده PP به دو نوع تقسیم می شوند:

نوع 1: اسکرابر اسپری بسته بندی شده یکپارچه مخزن آب (قطر برج: Φ1000mm-Φ2200mm)

نوع 2: اسکرابر اسپری بسته بندی شده مخزن آب از نوع اسپلیت (قطر برج: Φ2500mm-Φ3500mm)


مشخصات مدل مربوط به ظرفیت جریان هوا:

مدل حجم هوا اندازه دستگاه قدرت پمپ آب ضخامت پر کردن سرعت باد مواد تجهیزات
LRTL-600 0-1500 متر مکعب در ساعت Φ600x3000 0.75 کیلووات 500*2 1.48 متر بر ثانیه PP/304/Q235/FRP
LRTL-800 1501-2500m³/h Φ800x3000 0.75 کیلووات 500*2 1.39 متر بر ثانیه PP/304/Q235/FRP
LRTL-1000 2501-4000 متر مکعب در ساعت Φ1000x5000 1.5 کیلووات 500*2 1.42 متر بر ثانیه PP/304/Q235/FRP
LRTL-1200 4001-6000m³/h Φ1200x5000 2.2 کیلووات 500*2 1.48 متر بر ثانیه PP/304/Q235/FRP
LRTL-1500 6001-9500m³/h Φ1500x5000 3.75 کیلووات 500*2 1.5 متر بر ثانیه PP/304/Q235/FRP
LRTL-1800 9501-14000m³/h Φ1800x5000 5.5 کیلووات 500*2 1.53 متر بر ثانیه PP/304/Q235/FRP
LRTL-2000 14001-17000m³/h Φ2000x6000 5.5 کیلووات 500*2 1.5 متر بر ثانیه PP/304/Q235/FRP
LRTL-2200 17001-20000m³/h Φ2200x6000 7.5 کیلووات 500*2 1.46 متر بر ثانیه PP/304/Q235/FRP
LRTL-2500 20001-27000m³/h Φ2500x6000 7.5 کیلووات 500*2 1.53 متر بر ثانیه PP/304/Q235/FRP
LRTL-2800 27001-33000m³/h Φ2800x6000 15 کیلووات 500*2 1.49 متر بر ثانیه PP/304/Q235/FRP
LRTL-3000 33001-38000m³/h Φ3000x6800 15 کیلووات 500*2 1.49 متر بر ثانیه PP/304/Q235/FRP
LRTL-3200 38001-44000m³/h Φ3200x6800 15 کیلووات 500*2 1.52 متر بر ثانیه PP/304/Q235/FRP
LRTL-3500 44001-55000m³/h Φ3500x6800 15 کیلووات 500*2 1.5 متر بر ثانیه PP/304/Q235/FRP

توجه: طرح های غیر استاندارد را می توان با توجه به نیاز مشتری سفارشی کرد.

نمودار انتخاب:

Hangzhou Lvran Environmental Protection Group Co., Ltd.

  • 1000+

    مشتریان واحد خدمات

  • 2000+

    پرونده های مهندسی ملی

Hangzhou Lvran Environmental Protection Group Co., Ltd. یک ارائه دهنده خدمات مهندسی سیستم تصفیه گاز زباله و سازنده تجهیزات است که تحقیق و توسعه، خدمات فنی، طراحی، تولید، نصب مهندسی و خدمات پس از فروش را یکپارچه می کند.

We are China اسکرابر شیمیایی Suppliers and Wholesale اسکرابر شیمیایی Exporter, Company. این گروه یک شرکت ملی فناوری پیشرفته، یک شرکت علمی و فناوری در استان ژجیانگ، یک مرکز تحقیق و توسعه منطقه‌ای و یک واحد اعتباری دارای رتبه AAA است. دارای بیش از 30 پتنت مدل کاربردی، پتنت های متعدد اختراع و حق چاپ نرم افزار است. این گروه با دانشگاه ها و مؤسسات داخلی، از جمله «مرکز تحقیق و توسعه نوآوری محیطی» که با دانشگاه علم و فناوری آنهویی تأسیس شده است و «مرکز تحقیق و توسعه فناوری جدید انرژی پلاسما و محیط زیست» که به طور مشترک با دانشگاه علمی فناوری ژجیانگ توسعه یافته است، همکاری های طولانی مدتی دارد. این گروه پایگاه تحقیق و توسعه و تولید خود را برای همکاری فنی عمیق ایجاد کرده است. این گروه دارای فناوری اصلی تصفیه گاز VOC است، دارای صلاحیت قرارداد عمومی سطح 2 برای ساخت و ساز کارهای عمومی شهری، مجوز تولید ایمنی، صلاحیت طراحی ویژه کلاس B برای کنترل آلودگی زیست محیطی در استان ژجیانگ، صلاحیت خدمات کارگری طبقه بندی نشده، و قرارداد تخصصی برای پروژه های خاص است. این گروه دارای گواهینامه ISO9001 برای کیفیت بین المللی، ISO14001 برای مدیریت محیط زیست و ISO45001 برای ایمنی و بهداشت شغلی است.

افتخار و گواهی

افتخارات زیر نشان دهنده درخشش ماست. ما مشتریانی را با محصولات باکیفیت به دست می آوریم و با خدمات خوب مورد تحسین بازار و همه اقشار جامعه قرار می گیریم.

  • یک واحد پایه و راکتور با میدان الکتریکی بالا از نوع صفحه برای جلوگیری از نشت در طول سطح
  • دستگاه واکنش سنتز متانول با استفاده از دی اکسید کربن و آب و روشی برای سنتز متانول با استفاده از دی اکسید کربن و آب
  • رسوب دهنده الکترواستاتیک خود تمیز شونده
  • یک فن فشار قوی مقاوم در برابر خوردگی با عملکرد تنظیم جهت باد
  • یک فن با ظرفیت بالا خود تمیز شونده قابل تنظیم
  • سیستم کنترل پیش تصفیه گاز اگزوز گازی سازی ترکیبی کاتالیزوری
  • سیستم تصفیه و تصفیه گاز اگزوز اگزوز میدان الکترواستاتیک پیوسته تمیز کردن بخار
  • سیستم تجهیزات تصفیه گاز اگزوز فتولیز پلاسما با دمای پایین UV
  • گواهی ثبت علامت تجاری
اخبار و رویدادهای اخیر
با شما به اشتراک بگذارید
مشاهده اخبار بیشتر