عمده فروشی اسکرابر مرطوب صفحه سیکلون

  • اسکرابر مرطوب صفحه سیکلون

اسکرابر مرطوب صفحه سیکلون

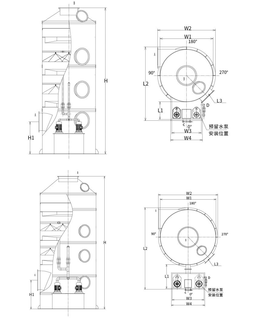
برج اسکرابر سیکلون معمولاً دارای بدنه برجی استوانه ای است که به صفحات بافل مارپیچ مجهز شده است. در حین کار، گاز دودکش از پایین برج به صورت مماس وارد شده و به سمت بالا جریان می یابد. با هدایت تیغه های صفحات بافل، گاز مارپیچی به سمت بالا حرکت می کند و مایعی را که در پایین صفحه ها جاری می شود به صورت قطرات ریز اتمیزه می کند. این یک منطقه بزرگ تماس گاز و مایع ایجاد می کند. قطرات توسط جریان گاز حمل می شوند و می چرخند و نیروی گریز از مرکز تولید می کنند که برهمکنش گاز و مایع را افزایش می دهد. در نهایت، قطرات بر روی دیوار برج پرتاب می شوند، به سمت پایین در امتداد دیوار به صفحه بافل بعدی جریان می یابند و برای تماس بیشتر توسط جریان گاز دوباره اتمیزه می شوند. همانطور که توضیح داده شد، مایع به طور کامل با گاز تماس پیدا می کند در حالی که جداسازی موثر را حفظ می کند - به حداقل رساندن حباب مه. ظرفیت بار گاز مایع این سیستم بیش از دو برابر صفحات بافل معمولی است.

شرایط عالی تماس گاز و مایع برج، جذب موثر گازهای زائد توسط مایعات قلیایی را تضمین می کند. علاوه بر این، برج اسکرابر سیکلون عملکرد برتر حذف گرد و غبار را نشان می دهد. ذرات گرد و غبار موجود در گاز توسط غبار آب روی صفحات بافل مارپیچی جذب می شوند و ذرات و قطرات پرتاب شده روی دیوار برج با نیروی گریز از مرکز نیز به طور موثر حذف می شوند. در نتیجه، گازی که از برج خارج می شود، حداقل گرد و غبار و قطرات را با خود حمل می کند. سرعت باد برج خالی بین 2.2 تا 2.7 متر بر ثانیه است.

ساختار برج اسپری چرخشی:
همانطور که در شکل نشان داده شده است: سیستم کامل شستشوی اسپری بسته بندی شده شامل اجزای زیر است:

● بدنه برج ساخته شده از ورق های PP (پلی پروپیلن).

● قاب ساخته شده با بافل های مارپیچ PP.

● لوله های اتصال اسپری ساخته شده از UPVC (پلی وینیل کلرید غیر پلاستیکی).

● نازل های مارپیچ PP.

● پمپ گردش PP مقاوم در برابر خوردگی.

● لایه دمیستر (نوع مش/سیکلون/بافل).

● دستگاه های آب رسانی دستی و خودکار.

● لوله های سرریز و زهکشی.

● پنجره بازرسی.

پارامترهای انتخاب برج صفحه سیکلون:
برای اطمینان از راحتی و ایمنی حمل و نقل، برج های اسکرابر سیکلون PP به دو دسته مشخصات تقسیم می شوند:

نوع 1: اسکرابر سیکلون مخزن آب یکپارچه (قطر برج: Φ1000mm-Φ2200mm)

نوع 2: اسکرابر سیکلون مخزن آب نوع تقسیم شده (قطر برج: Φ2500mm-Φ3500mm)


مدل‌های برج اسکرابر سیکلون متناسب با ظرفیت جریان هوا:

مدل محدوده حجم هوا اندازه دستگاه قدرت پمپ آب تعداد تیغه های چرخشی محدوده سرعت باد مواد تجهیزات
XL-600 0-2800 متر مکعب در ساعت Φ600×2950 0.75 کیلووات 2 0-2.76 متر بر ثانیه PP/304/Q235/FRP
XL-800 3800-5000 متر مکعب در ساعت ف800×3300 0.75 کیلووات 2 2.11-2.77m/s PP/304/Q235/FRP
XL-1000 6000-7500 متر مکعب در ساعت Φ1000×4380 1.5 کیلووات 2 2.13-2.66m/s PP/304/Q235/FRP
XL-1200 8500-11000m³/h Φ1200×4430 2.2 کیلووات 2 2.09-2.71m/s PP/304/Q235/FRP
XL-1500 14000-17000m³/h Φ1500×5000 3.75 کیلووات 2 2.2-2.68m/s PP/304/Q235/FRP
XL-1800 20000-25000m³/h Φ1800×5650 5.5 کیلووات 2 2.19-2.73m/s PP/304/Q235/FRP
XL-2000 25001-30000m³/h Φ2000×6200 5.5 کیلووات 2 2.21-2.66m/s PP/304/Q235/FRP
XL-2200 30001-37000m³/h Φ2200×6700 7.5 کیلووات 2 2.19-2.71m/s PP/304/Q235/FRP
XL-2500 40000-47000m³/h Φ2500×6850 7.5 کیلووات 2 2.27-2.66m/s PP/304/Q235/FRP
XL-2800 49000-58000m³/h Φ2800×7900 11 کیلووات 2 2.21-2.62m/s PP/304/Q235/FRP
XL-3000 58000-68000m³/h Φ3000×8000 11 کیلووات 2 2.28-2.67m/s PP/304/Q235/FRP
XL-3200 68000-78000m³/h Φ3200×8000 15 کیلووات 2 2.35-2.7m/s PP/304/Q235/FRP
XL-3500 78000-88000m³/h Φ3500×8000 15 کیلووات 2 2.25-2.54 متر بر ثانیه PP/304/Q235/FRP

توجه: طرح های غیر استاندارد را می توان با توجه به نیاز مشتری ساخت.

نمودار انتخاب:

Hangzhou Lvran Environmental Protection Group Co., Ltd.

  • 1000+

    مشتریان واحد خدمات

  • 2000+

    پرونده های مهندسی ملی

Hangzhou Lvran Environmental Protection Group Co., Ltd. یک ارائه دهنده خدمات مهندسی سیستم تصفیه گاز زباله و سازنده تجهیزات است که تحقیق و توسعه، خدمات فنی، طراحی، تولید، نصب مهندسی و خدمات پس از فروش را یکپارچه می کند.

We are China اسکرابر مرطوب صفحه سیکلون Suppliers and Wholesale اسکرابر مرطوب صفحه سیکلون Exporter, Company. این گروه یک شرکت ملی فناوری پیشرفته، یک شرکت علمی و فناوری در استان ژجیانگ، یک مرکز تحقیق و توسعه منطقه‌ای و یک واحد اعتباری دارای رتبه AAA است. دارای بیش از 30 پتنت مدل کاربردی، پتنت های متعدد اختراع و حق چاپ نرم افزار است. این گروه با دانشگاه ها و مؤسسات داخلی، از جمله «مرکز تحقیق و توسعه نوآوری محیطی» که با دانشگاه علم و فناوری آنهویی تأسیس شده است و «مرکز تحقیق و توسعه فناوری جدید انرژی پلاسما و محیط زیست» که به طور مشترک با دانشگاه علمی فناوری ژجیانگ توسعه یافته است، همکاری های طولانی مدتی دارد. این گروه پایگاه تحقیق و توسعه و تولید خود را برای همکاری فنی عمیق ایجاد کرده است. این گروه دارای فناوری اصلی تصفیه گاز VOC است، دارای صلاحیت قرارداد عمومی سطح 2 برای ساخت و ساز کارهای عمومی شهری، مجوز تولید ایمنی، صلاحیت طراحی ویژه کلاس B برای کنترل آلودگی زیست محیطی در استان ژجیانگ، صلاحیت خدمات کارگری طبقه بندی نشده، و قرارداد تخصصی برای پروژه های خاص است. این گروه دارای گواهینامه ISO9001 برای کیفیت بین المللی، ISO14001 برای مدیریت محیط زیست و ISO45001 برای ایمنی و بهداشت شغلی است.

افتخار و گواهی

افتخارات زیر نشان دهنده درخشش ماست. ما مشتریانی را با محصولات باکیفیت به دست می آوریم و با خدمات خوب مورد تحسین بازار و همه اقشار جامعه قرار می گیریم.

  • یک واحد پایه و راکتور با میدان الکتریکی بالا از نوع صفحه برای جلوگیری از نشت در طول سطح
  • دستگاه واکنش سنتز متانول با استفاده از دی اکسید کربن و آب و روشی برای سنتز متانول با استفاده از دی اکسید کربن و آب
  • رسوب دهنده الکترواستاتیک خود تمیز شونده
  • یک فن فشار قوی مقاوم در برابر خوردگی با عملکرد تنظیم جهت باد
  • یک فن با ظرفیت بالا خود تمیز شونده قابل تنظیم
  • سیستم کنترل پیش تصفیه گاز اگزوز گازی سازی ترکیبی کاتالیزوری
  • سیستم تصفیه و تصفیه گاز اگزوز اگزوز میدان الکترواستاتیک پیوسته تمیز کردن بخار
  • سیستم تجهیزات تصفیه گاز اگزوز فتولیز پلاسما با دمای پایین UV
  • گواهی ثبت علامت تجاری
اخبار و رویدادهای اخیر
با شما به اشتراک بگذارید
مشاهده اخبار بیشتر