عمده فروشی برج اسپری FRP

  • برج اسپری FRP
  • برج اسپری FRP
  • برج اسپری FRP
  • برج اسپری FRP
  • برج اسپری FRP
  • برج اسپری FRP
  • برج اسپری FRP
  • برج اسپری FRP
  • برج اسپری FRP
  • برج اسپری FRP
  • برج اسپری FRP

برج اسپری FRP

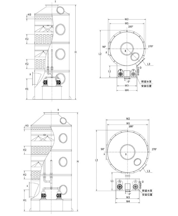
برج اسپری FRP (همچنین به عنوان برج تصفیه اسید مه شناخته می شود) یک دستگاه تصفیه گازهای زائد نوع مرطوب با پوسته پلاستیکی تقویت شده با فایبرگلاس (FRP) است. این ترکیبی از مقاومت در برابر خوردگی، سبک وزن، استحکام بالا و هزینه کم است. عملکرد اصلی آن حذف آلاینده های محلول اسیدی یا قلیایی از گازهای زائد از طریق ترکیبی از تماس جریان مخالف گاز-مایع، انتقال جرم از طریق پرکننده و جذب شیمیایی/فیزیکی است.

اصل کار (فرآیند چهار مرحله ای)
مکانیسم توصیف فرآیند فاز
1. ورودی گاز زباله: گازهای زائد آلوده از پایین توسط یک فن وارد برج شده و به طور مساوی از طریق یک توزیع کننده گاز توزیع می شود. این از انحراف جریان جلوگیری می کند و راندمان جذب را بهبود می بخشد.
2. انتقال جرم از طریق پرکننده: گاز زائد از طریق لایه پرکننده FRP (حلقه‌های پال/رینگ‌های راشیگ) به سمت بالا جریان می‌یابد، جایی که به صورت مخالف با مایع جذبی (محلول قلیایی، اسید یا آب) که از بالا به پایین پاشیده می‌شود، تماس می‌گیرد. سطح تماس گاز و مایع را افزایش می دهد و زمان اقامت را افزایش می دهد.
3. واکنش جذب: آلاینده هایی مانند HCl، HF، NH3، H2S، SO2، و غبار اسید کرومیک موجود در گاز خروجی توسط مایع پاک کننده حل یا خنثی می شوند و نمک های بی ضرر تولید می کنند. واکنش شیمیایی: برای مثال HCl NaOH → NaCl H2O.
4. مه‌زدایی و انتشار: گاز تصفیه‌شده از میان بافل‌های FRP یا دیمسترهای مش سیمی عبور می‌کند تا قبل از تخلیه به استانداردهای استاندارد توسط فن بالای سر، قطرات را حذف کند. جلوگیری از آلودگی ثانویه "دود سفید".

محیط های گازی قابل اجرا (سناریوهای معمولی)
ویژگی های گاز پردازش صنعت
مواد شیمیایی/دارویی: HCl، HF، H2S، NH3، SO2، HCN، و غیره. غلظت های بالا، خوردگی قوی، دمای بالا (≤80 درجه سانتی گراد)
آبکاری / ترشی: غبار اسید کرومیک، غبار اسید نیتریک، سیانید هیدروژن. حاوی یون های فلزات سنگین، خواص اکسید کننده قوی
کارخانه های زباله سوز/تصفیه فاضلاب: بدبو (NH3، H2S)، مرکاپتان آلی، ترکیب پیچیده، انتشار متناوب
الکترونیک/نیمه رساناها: سیلان، فسفین، NOₓ، گرد و غبار حاوی فلوئور و سیلیکون
آزمایشگاه/چاپ: فرمالدئید، فنل ها، VOCs، نوسانات غلظت زیاد، حجم کم هوا

مزایای مواد FRP
- مقاومت در برابر خوردگی قوی: در برابر غوطه ور شدن طولانی مدت در اسید هیدروکلریک 30 درصد، اسید سولفوریک 50 درصد، اسید هیدروفلوریک و محلول های قلیایی مقاومت می کند.
- سبک و استحکام بالا: با وزن تنها 1/4 وزن فولاد، در عین حال با داشتن استحکام نزدیک به فولاد، نصب و حمل و نقل آسان است.
- عایق عالی: مناسب برای مکان هایی با تجهیزات الکتریکی، از ایجاد الکتریسیته ساکن جلوگیری می کند.
- محدوده دما: -30 درجه سانتیگراد تا 80 درجه سانتیگراد (رزین های خاص می توانند به 120 درجه سانتیگراد برسند).

اقدامات احتیاطی
- برای گازهای خروجی حاوی اسید هیدروفلوئوریک، از رزین وینیل استر FRP برای جلوگیری از خوردگی الیاف شیشه استفاده کنید.
- برای گازهای خروجی با دمای بالا (بیش از 80 درجه سانتیگراد)، یک پیش خنک کننده برای جلوگیری از تخریب FRP لازم است.
- تعمیر و نگهداری منظم: انسداد نازل، رسوب بسته بندی و تجمع گرد و غبار را هر 3 تا 6 ماه بررسی کنید.

برج اسپری FRP از ترکیبی از جذب شیمیایی انتقال جرم بسته‌بندی پاشش ضد جریان برای درمان موثر غبار اسیدی، غبار قلیایی، بو و برخی از VOCs استفاده می‌کند. در شرایط کاری خورنده مانند صنایع شیمیایی، آبکاری، تصفیه خانه های فاضلاب و آزمایشگاه ها، راندمان تصفیه بالا (90-98٪) را با مزایای کم هزینه ترکیب می کند. این تجهیزات ترجیحی برای تصفیه حجم هوای کوچک و متوسط ​​و غلظت متوسط ​​تا زیاد گازهای زائد اسیدی و قلیایی است.

انتخاب اسکرابر شیمیایی
جدول مشخصات فنی اسکرابرهای اسپری بسته بندی شده
برای راحتی و ایمنی حمل و نقل، اسکرابرهای اسپری بسته بندی شده PP به دو نوع طبقه بندی می شوند:
نوع 1: اسکرابر اسپری بسته بندی شده یکپارچه (قطر برج: Φ1000mm–Φ2200mm)
نوع 2: اسکرابر اسپری بسته بندی شده مخزن آب نوع تقسیم شده (قطر برج: Φ2500mm–Φ3500mm)
مدل های مربوط به ظرفیت جریان هوا برای برج های بسته بندی شده:

مدل ظرفیت جریان هوا (m³/h) ابعاد تجهیزات قدرت پمپ ضخامت بسته بندی سرعت باد مواد تجهیزات
LRTL-600 0 - 1500 متر مکعب در ساعت ف600×3000 0.75 کیلووات 500*2 1.48 متر بر ثانیه PP/304/Q235/FRP
LRTL-800 1501 - 2500 متر مکعب در ساعت ف800×3000 0.75 کیلووات 500*2 1.39 متر بر ثانیه PP/304/Q235/FRP
LRTL-1000 2501 - 4000 متر مکعب در ساعت Φ1000×5000 1.5 کیلووات 500*2 1.42 متر بر ثانیه PP/304/Q235/FRP
LRTL-1200 4001 - 6000 متر مکعب در ساعت Φ1200×5000 2.2 کیلووات 500*2 1.48 متر بر ثانیه PP/304/Q235/FRP
LRTL-1500 6001 - 9500 m³/h Φ1500×5000 3.75 کیلووات 500*2 1.5 متر بر ثانیه PP/304/Q235/FRP
LRTL-1800 9501 - 14000 m³/h Φ1800×5000 5.5 کیلووات 500*2 1.53 متر بر ثانیه PP/304/Q235/FRP
LRTL-2000 14001 - 17000 متر مکعب در ساعت Φ2000×6000 5.5 کیلووات 500*2 1.5 متر بر ثانیه PP/304/Q235/FRP
LRTL-2200 17001 - 20000 متر مکعب در ساعت Φ2200×6000 7.5 کیلووات 500*2 1.46 متر بر ثانیه PP/304/Q235/FRP
LRTL-2500 20001 - 27000 m³/h Φ2500×6000 7.5 کیلووات 500*2 1.53 متر بر ثانیه PP/304/Q235/FRP
LRTL-2800 27001 - 33000 m³/h Φ2800×6000 15 کیلووات 500*2 1.49 متر بر ثانیه PP/304/Q235/FRP
LRTL-3000 33001 - 38000 m³/h Φ3000×6800 15 کیلووات 500*2 1.49 متر بر ثانیه PP/304/Q235/FRP
LRTL-3200 38001 - 44000 m³/h Φ3200×6800 15 کیلووات 500*2 1.52 متر بر ثانیه PP/304/Q235/FRP
LRTL-3500 44001 - 55000 m³/h Φ3500×6800 15 کیلووات 500*2 1.5 متر بر ثانیه PP/304/Q235/FRP

توجه: طرح های سفارشی را می توان در صورت درخواست مشتری ارائه کرد.

نمودار انتخاب:

Hangzhou Lvran Environmental Protection Group Co., Ltd.

  • 1000+

    مشتریان واحد خدمات

  • 2000+

    پرونده های مهندسی ملی

Hangzhou Lvran Environmental Protection Group Co., Ltd. یک ارائه دهنده خدمات مهندسی سیستم تصفیه گاز زباله و سازنده تجهیزات است که تحقیق و توسعه، خدمات فنی، طراحی، تولید، نصب مهندسی و خدمات پس از فروش را یکپارچه می کند.

We are China برج اسپری FRP Suppliers and Wholesale برج اسپری FRP Exporter, Company. این گروه یک شرکت ملی فناوری پیشرفته، یک شرکت علمی و فناوری در استان ژجیانگ، یک مرکز تحقیق و توسعه منطقه‌ای و یک واحد اعتباری دارای رتبه AAA است. دارای بیش از 30 پتنت مدل کاربردی، پتنت های متعدد اختراع و حق چاپ نرم افزار است. این گروه با دانشگاه ها و مؤسسات داخلی، از جمله «مرکز تحقیق و توسعه نوآوری محیطی» که با دانشگاه علم و فناوری آنهویی تأسیس شده است و «مرکز تحقیق و توسعه فناوری جدید انرژی پلاسما و محیط زیست» که به طور مشترک با دانشگاه علمی فناوری ژجیانگ توسعه یافته است، همکاری های طولانی مدتی دارد. این گروه پایگاه تحقیق و توسعه و تولید خود را برای همکاری فنی عمیق ایجاد کرده است. این گروه دارای فناوری اصلی تصفیه گاز VOC است، دارای صلاحیت قرارداد عمومی سطح 2 برای ساخت و ساز کارهای عمومی شهری، مجوز تولید ایمنی، صلاحیت طراحی ویژه کلاس B برای کنترل آلودگی زیست محیطی در استان ژجیانگ، صلاحیت خدمات کارگری طبقه بندی نشده، و قرارداد تخصصی برای پروژه های خاص است. این گروه دارای گواهینامه ISO9001 برای کیفیت بین المللی، ISO14001 برای مدیریت محیط زیست و ISO45001 برای ایمنی و بهداشت شغلی است.

افتخار و گواهی

افتخارات زیر نشان دهنده درخشش ماست. ما مشتریانی را با محصولات باکیفیت به دست می آوریم و با خدمات خوب مورد تحسین بازار و همه اقشار جامعه قرار می گیریم.

  • یک واحد پایه و راکتور با میدان الکتریکی بالا از نوع صفحه برای جلوگیری از نشت در طول سطح
  • دستگاه واکنش سنتز متانول با استفاده از دی اکسید کربن و آب و روشی برای سنتز متانول با استفاده از دی اکسید کربن و آب
  • رسوب دهنده الکترواستاتیک خود تمیز شونده
  • یک فن فشار قوی مقاوم در برابر خوردگی با عملکرد تنظیم جهت باد
  • یک فن با ظرفیت بالا خود تمیز شونده قابل تنظیم
  • سیستم کنترل پیش تصفیه گاز اگزوز گازی سازی ترکیبی کاتالیزوری
  • سیستم تصفیه و تصفیه گاز اگزوز اگزوز میدان الکترواستاتیک پیوسته تمیز کردن بخار
  • سیستم تجهیزات تصفیه گاز اگزوز فتولیز پلاسما با دمای پایین UV
  • گواهی ثبت علامت تجاری
اخبار و رویدادهای اخیر
با شما به اشتراک بگذارید
مشاهده اخبار بیشتر